トーハツ 船外機 4ストローク船外機 サーモスタット ガスケット付 4馬力 5馬力 MFS4 MFS5 MFS6D TOHATSU
¥ 2,750 税込
商品コード: 346-01032
在庫数: 6
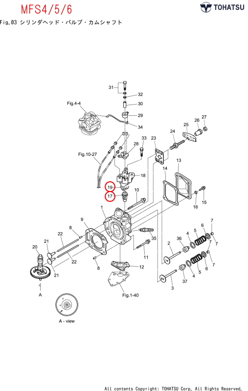
トーハツ4ストローク船外機4馬力・5馬力・6馬力(C/D用)に使用するメーカー純正のサーモスタットです。
定期整備の際、こちらの商品も交換する事をお勧めします。
古いガスケットを綺麗に剥がし、必ずガスケットもご一緒に交換してください。
剥がす際はエンジン・サーモスタットカバーを傷つけないようにご注意して作業してください。
《該当機種》
●トーハツ4ストローク船外機:MFS4C・D/MFS5C・D/MFS6C・D
注)MFS6Aには使用できませんのでご注意ください。
《セット内容》
●サーモスタット 1個
●ガスケット 1枚






